RTL8211E應用主要包括電源部分設計、MDI接口設計、RGMII接口設計以及接口管理設計等四部分組成,小編針對各部分具體應用做分解整理,如有不正確之處,歡迎指正。桑尼奇孫生:18576699326,QQ:2335804557,(更多詳情)。
二、RTL8211E之MDI接口設計
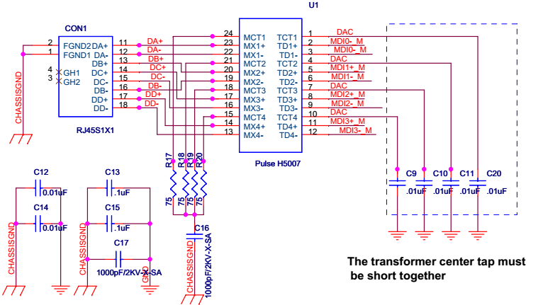
MDI( MediumDependent Interface )介質相關接口與互聯網連接一般通過信號傳輸端(TD+&TD-)和信號接收端(RD+ &RD-),然后再通過網絡濾波器以及RJ-45與終端網絡相連。

MDI連接屬于高速信號連接,對MDI線路設計時時需特別注意,RTL8211E/RTL8211EG到10/100/1000M網絡變壓器,以及到RJ-45接口的路徑需要盡可能短,RTL8211E/RTL8211EG到10/100/1000M網絡變壓器的距離不能超過300px,而且兩對接受或傳輸差分信號線需盡可能的接近,可使噪聲影響互相抵消。一般兩者之前距離等于一線寬,例如,信號線寬8mil,則D1的寬度為8mil。兩組信號線之間的跟離D2一般推薦為30mil。
另外為了減小ESD的引影響,RJ-45與千兆網絡H5007一個地平面,而RTL8211E/RTL8211EG 網絡PHY芯片這兩個地平面之前需要接一個2Kv的電容。同時考慮到EMI的影響,網絡變壓器的center tap引腳要求串一個電容與地相接。如下圖:

桑尼奇專業(yè)供應網絡芯片,涉及USB轉RJ45芯片、千兆網絡PHY芯片、百兆網絡PHY芯片、千兆/百兆網絡集線器芯片等,涵蓋有Realtek、ICplus、TI、SMSC、Micrel等品牌,具本型號有RTL8152B/RTL8153B,RTL8211E、RTL8211F、RTL8201CP、RTL8201F、IP101GR、DP83848、LAN8720等,可提供樣品或型號推薦,歡迎咨詢。桑尼奇孫生:18576699326,QQ:2335804557.
評論列表: